VF-120H
발코니전용 미서기 단창
발코니 공간의 경제성과 내구성, 세련된 디자인을 한번에 해결한 합리적 가격의 발코니 전용 단창
Product Detail
| 구분 |
제품 |
에너지 효율등급 |
열관류율 ((W/(㎥·K)) |
기밀성 |
프레임 사이즈 (mm) |
최대적용 가능유리 |
유리구성 |
잠금장치 (옵션선택) |
발코니전용 미서기단창 |
VF-120H |
3등급 |
1.770 |
0.97 |
120 |
24 |
5CL + 12Ar + 5Low-E (MASTER ONE) |
자동잠금장치 (자동핸들) |
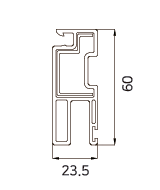
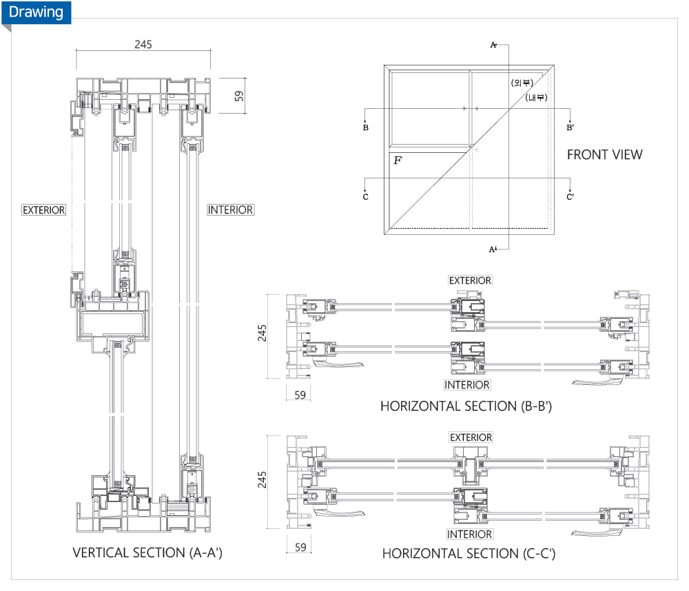
Window Cross Section
| 제품 |
후레임 |
창짝 |
MC |
방충망 |
ASA 발코니전용 미서기단창 VF-120H |
 |
 |
 |
 |
VDF-245H
발코니전용 미서기 이중창
고급 주택 및 아파트, 빌라 등 확장형 발코니 공간의 에너지를 꽉 잡은 1등급 효율의 발코니전용 이중창
Product Detail
| 구분 |
제품 |
에너지 효율등급 |
열관류율 ((W/(㎥·K)) |
기밀성 |
프레임 사이즈 (mm) |
최대적용 가능유리 |
유리구성 |
잠금장치 (옵션선택) |
발코니전용 미서기이중창 |
VDF-245H |
1등급 |
0.684 |
0.13 |
240 |
24 |
5CL + 12Ar + 5Low-E (MASTER ONE) |
자동잠금장치 (자동핸들) |
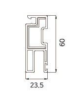
Window Cross Section
| 제품 |
후레임 |
창짝 |
MC |
방충망 |
ASA 발코니전용 미서기이중창 VDF-245H |
 |
 |
 |
 |
VF-140
발코니전용 입면분할식 단창
도심형빌라, 단독주택 등 세련된 외형 및 기능성을 겸비한 외부난간대가 필요없는 입면분할식 창호
Product Detail
| 구분 |
제품 |
에너지 효율등급 |
열관류율 ((W/(㎥·K)) |
기밀성 |
프레임 사이즈 (mm) |
최대적용 가능유리 |
유리구성 |
잠금장치 (옵션선택) |
발코니전용 입면분할식 단창 |
VF-140 |
3등급 |
1.736 |
0.94 |
140 |
24 |
5CL + 12Ar + 5Low-E (MASTER ONE) |
자동잠금장치 (자동핸들) |
하부 FIX 유리 : 25.76 / 8.76 (5CL+0/76) Film+3CL)+12Ar+5LE(EHD176) |
Window Cross Section
| 제품 |
후레임 |
창짝 |
MC |
방충망 |
ASA 발코니전용 미서기이중창 VDF-245H |
 |
 |
 |
 |
VDF-245D
발코니전용 입면분할식 이중창
주거용 오피스, 주상복합 및 아파트 발코니에 넓은 풍경과 안전함을 더한 하이브리드 창
Product Detail
| 구분 |
제품 |
에너지 효율등급 |
열관류율 ((W/(㎥·K)) |
기밀성 |
프레임 사이즈 (mm) |
최대적용 가능유리 |
유리구성 |
잠금장치 (옵션선택) |
발코니전용 입면분할식 이중창 |
VDF-245D |
1등급 |
0.686 |
0.10 |
245 |
24 |
5CL + 12Ar + 5Low-E (MASTER ONE) |
자동잠금장치 (자동핸들) |
하부 FIX 유리 : 25.76 / 8.76 (5CL+0/76) Film+3CL)+12Ar+5LE(EHD176) |
Window Cross Section
| 제품 |
후레임 |
창짝 |
MC |
방충망 |
ASA 발코니전용 입면분할창 VF-140 VDF-245D |
 |
 |
 |
 |
NF-120
중대형 미서기 단창
합리적인 가격과 성능이 요구되는 곳에 설치하는 실용성을 향상시킨 중대형 미서기 단창
Product Detail
| 구분 |
제품 |
에너지 효율등급 |
열관류율 ((W/(㎥·K)) |
기밀성 |
프레임 사이즈 (mm) |
최대적용 가능유리 |
유리구성 |
잠금장치 (옵션선택) |
중대형 미서기단창 |
NF-120 |
3등급 |
1.794 |
0.87 |
120 |
24 |
5CL + 12Ar + 5Low-E (MASTER ONE) |
자동잠금장치 (자동핸들) |
Window Cross Section
| 제품 |
후레임 |
창짝 |
MC |
방충망 |
ASA 미서기단창 NF-120 |
 |
 |
 |
 |
NDF-230
중대형 미서기(분합) 이중창
고급 전원주택, 빌라, 단독주택 등 단열성과 소음을 잡은 에너지 절약형 이중창
Product Detail
| 구분 |
제품 |
에너지 효율등급 |
열관류율 ((W/(㎥·K)) |
기밀성 |
프레임 사이즈 (mm) |
최대적용 가능유리 |
유리구성 |
잠금장치 (옵션선택) |
중대형 미서기(분할) 이중창 |
NDF-230 |
1등급 |
0.859 |
0.21 |
230 |
24 |
5mm CL + 12mm Ar + 5mm Low-E |
자동잠금장치 (자동핸들) |
Window Cross Section
| 제품 |
후레임 |
창짝 |
MC |
방충망 |
ASA 미서기(분합) 이중창 NDF-230D |
 |
 |
 |
 |
PJF-120
프로젝트창
특별한 공간에 세련된 디자인을 연출하는 PVC 프로젝트 창호
Product Detail
| 구분 |
제품 |
에너지 효율등급 |
열관류율 ((W/(㎥·K)) |
기밀성 |
프레임 사이즈 (mm) |
최대적용 가능유리 |
유리구성 |
잠금장치 (옵션선택) |
| 프로젝트창 |
PJF-120 |
3등급 |
1.563 |
0.15 |
120 |
39 |
5CL + 12Ar + 5Low-E (MASTER ONE) |
수동잠금핸들 |
Window Cross Section
| 제품 |
후레임 |
창짝 |
MC |
방충망 |
ASA 프로젝트창 PJF-120 |
 |
 |
- |
롤방충망 |
JDX-130N
터닝도어
베란다 및 서재, 주방 등 세련된 디자인으로 실내 공간의 인테리어 감각까지 업그레이드 시켜주는 터닝도어
Product Detail
| 구분 |
제품 |
에너지 효율등급 |
열관류율 ((W/(㎥·K)) |
기밀성 |
프레임 사이즈 (mm) |
최대적용 가능유리 |
유리구성 |
잠금장치 (옵션선택) |
| 터닝도어 |
JDX-130N |
3등급
| 1.505 |
0.53 |
130 |
30 |
5CL + 12Ar + 5Low-E (MASTER ONE) |
수동잠금핸들 |
Window Cross Section
| 제품 |
후레임 |
창짝 |
MC |
방충망 |
터닝도어 JJDX-130N |
 |
 |
- |
- |
SLF-80
합성수지 시스템그릴창
건축물 내부의 환기조절이 필요한 공간(실외기 등)에 설치하는 합성수지 시스템 그릴창(일명: 시스템루버)
Product Detail
| 구분 |
제품 |
에너지 효율등급 |
열관류율 ((W/(㎥·K)) |
기밀성 |
프레임 사이즈 (mm) |
최대적용 가능유리 |
유리구성 |
잠금장치 (옵션선택) |
합성수지 시스템그릴창 |
SNF-80 |
- |
- |
- |
80 |
- |
- |
수동잠금핸들 (스틱형핸들) |
Window Cross Section
| 제품 |
후레임 |
창짝 |
MC |
방충망 |
합성수지 시스템그릴창 SLF-80 |
 |
 |
- |
롤방충망/ 고정방충망 |